太陽能聚合物電池的性能參數
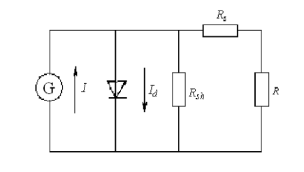
太陽能聚合物電池的等效電路圖以及電流-電壓特性曲線如圖所示:

有機太陽能光聚合物電池的等效電路圖

電流一電壓特性曲線圖
對于有機太陽能聚合物電池,主要評價參數有以下幾點: (1)開路電壓(Voc):是指太陽能聚合物電池在開路情況下,電流為零時的端電壓,同時也是太陽能電池產生的最大電壓,通常單位為V。太陽能聚合物電池的開路電壓與光照強度、溫度以及受體材料有關,主要取決于給體的HOMO能和受體的LUMO能之間的能級差:

HOMO能和受體的LUMO能之間的能級差
(2)短路電流(Jsc):短路電流是在電壓和電阻都為零時通過的電流,即器件在沒有外電場偏置情況下的電流,是在太陽能電池最大的輸出電流,單位為mA.cm。 短路電流的大小的影響因素主要有:活性層對太陽光的吸收、電荷分離的量子效率、載流子在材料中的傳輸以及傳輸過程中的損耗等。
(3)填充因子(FF):定義為太陽能聚合物電池的最大功率與開路電壓和短路電流的乘積之比,它說明了太陽能聚合物電池能夠對外提供的最大輸出功率的能力,其定義式為:

公式中,Vmax是指最大輸出電壓;Imax是指最大輸出電流;Pmax是指最大輸出功率。從伏安特性曲線我們可以看出,FF就是圖中兩個矩形的面積之比,無量綱,并且理想的太陽能電池的FF為1。填充因子大小的影響因素主要有:復合膜和電極間的接觸電阻、復合膜中載流子遷移率,復合膜的厚度以及器件中的缺陷等!
(4)能量轉換效率(PCE):在太陽能聚合物電池中,能量轉換效率(PCE)是其最重要的參數之一,它定義為最大輸出功率與入射的光照強度Pin之比,即:

由上式可知,太陽能聚合物電池的能量轉換效率與開路電壓、短路電流、填充因子以及光照強度密切相關。 (5)外量子效率(IPCE):外量子效率是外電路中產生的電子數與總的入射光子數的比值。其定義式為:

式中,Pin為入射光功率,入為入射單色光的波長。 從以上所述的公式可以發現,開路電壓、短路電流、填充因子等因素是影響聚合物太陽能電池的能量轉化效率的關鍵因素。提高太陽能電池伏安特性的方法有提高開路電壓、短路電流和填充因子,并且使之趨向于理想太陽能聚合物電池的伏安特性。短路電流與所吸收光的強度(單位面積和單位時間內吸收的光子數)成正比,表面上看貌似提高有機物的厚度就能大大提高對光的吸收強度,但是激子的擴散距離或者是載流子的復合長度必須大于有機物的厚度,這是因為半導性聚合物材料的激子和電荷載流子的遷移率相對較低[]。這一瓶頸使得器件的最大優化厚度為100-200nm,該厚度與光吸收深度相當(100nm)。另外,太陽能聚合物電池的光譜響應并不能對太陽能光譜所涉及范圍作出很好的回應,其光譜的響應的范圍較窄,只有最大吸收峰位置的波長,才能產生較為強烈的響應,其他吸收峰的波長的響應較弱,所以普通白光下的能量轉化效率與吸收峰處的單色光的能量轉化效率相比較,會弱很多。此外,制備器件之后,又使得在光能轉換電能這一傳輸道路上多了很多環節,每個環節都有不同程度的光電轉換損耗。這一系列的環節都會造成光電效率的降低。
相關文章
-

染料敏化太陽能電池的原理及特點是怎么樣的
2023-12-07 -

什么是CPV太陽能光伏技術,太陽能電池光伏技術類型
2023-12-04 -

什么是光電池,光電池的工作原理是怎么樣的?
2023-09-12










